Music related stuff on eBay/Aliexpress/anywhere else - instruments, equipment, etc
113 Replies, 7925 Views
(07 May 2022, 01:21 )Like Ra Wrote: Thanks for that! Never heard of them! I see Alan sells his stuff via eBay: UK Store: thepickupsplusstore There are not many reviews/videos/tests, but what I could found sound quite good indeed! One issue - no information anywhere (no sizes, no parameters, no wiring).Found more examples. I might go for a PXBN/JXBN pair indeed. But I need sizes... Can drop Alan an email... (07 May 2022, 01:43 )Like Ra Wrote:(07 May 2022, 01:21 )Like Ra Wrote: Thanks for that! Never heard of them! I see Alan sells his stuff via eBay: UK Store: thepickupsplusstore There are not many reviews/videos/tests, but what I could found sound quite good indeed! One issue - no information anywhere (no sizes, no parameters, no wiring).Found more examples. I might go for a PXBN/JXBN pair indeed. But I need sizes... Can drop Alan an email... Standard sizing and wiring like here. Made to just drop into standard PB and J routed slots. I believe I have some of them still in stock, just pay shipping and I'll send. Edited to add: ENTWISTLE JBXNN NECK PICKUP FOR JB STYLE BASSES Pole Spacing (1st to 6th centres) – 56mm DCR (DC Resistance) Manufacturers Spec. – 6.0 K Ohms Magnetics – Neodymium Potting – Wax Potted ENTWISTLE PBXN PICKUP FOR PB STYLE BASSES Pole Spacing (1st to 6th centres) – 60mm DCR (DC Resistance) Manufacturers Spec. – 8.4 K Ohms Magnetics – Neodymium Potting – Wax Potted
A bit of background on Alan - he's designed pickups and guitars for Burns Guitars London and behind most of their iconic designs
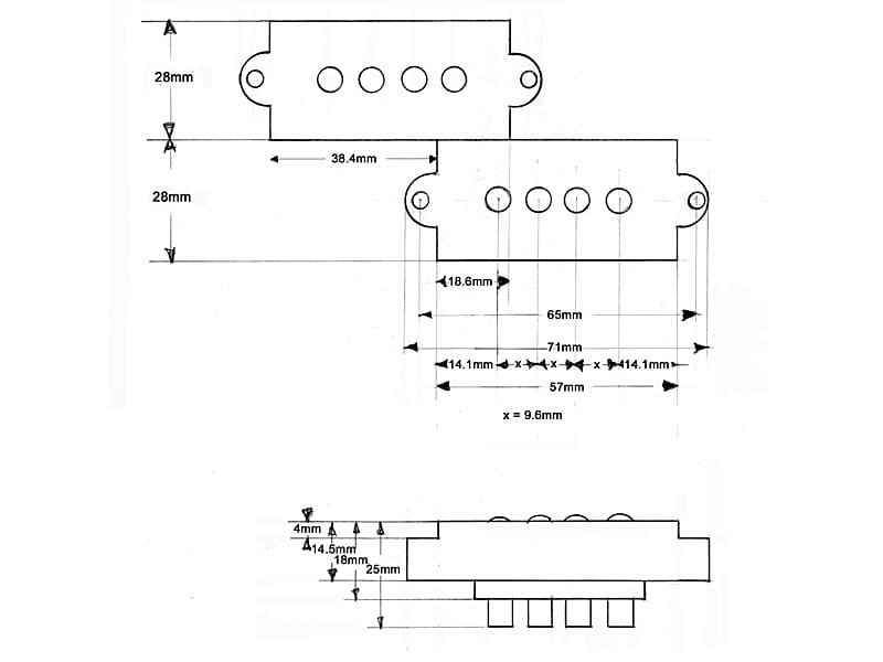
(05 May 2022, 16:22 )vanessa_fetish Wrote: First of all - Schaller Bass Bridge 3D-4 BCOrdered (on reverb) and it has arrived today! What a piece of art! Tuners next! (07 May 2022, 17:15 )vanessa_fetish Wrote: Standard sizing and wiring like here. Made to just drop into standard PB and J routed slots. The problem is - there is no one standard. I found the dimensions - The Ps are too big for my bass, and the Js shape does not match mine 😕 The quest continues.... (This post was last modified: 08 May 2022, 02:41 by Like Ra.) (08 May 2022, 02:24 )Like Ra Wrote:(07 May 2022, 17:15 )vanessa_fetish Wrote: Standard sizing and wiring like here. Made to just drop into standard PB and J routed slots. I've placed these in numerous basses, there is a standard size. I've not found one brand with P bass pups or J bass pups that they are not interchangeable. Do you have a photo of the pups on yours? I have litterally just slipped them in no prob on any, and even other brands into P or J no prob. (13 May 2022, 22:15 )vanessa_fetish Wrote: I've placed these in numerous basses, there is a standard size. I've not found one brand with P bass pups or J bass pups that they are not interchangeable. The Geezers is the maximum I can squeeze in. Also, I saw a review of someone who could install EMG GZR into the Ibanez Mikro Bass - VERY tight fit with some sanding. I attached the GZR dimensions. For the P pickup: - between the screw holes: Ibanez = 62mm, EMG = 62.2, Entwistle = 65mm - box length: Ibanez = 55mm, Ibanez hole = 57.?mm, EMG = 57.1, Entwistle = 57mm - max length: Ibanez Pup = 65mm, Ibanez pup hole = 67mm, Entwistle = 71mm So, the Entwistle P pickup is 4mm longer, than the P-holes, the distance between the screw holes is 3mm bigger Entwistle J bridge pickup should fit, though. Nordstrand NPJ Blade should fit better than the GZR, however on their site two dimensions are shown: 2.225 and 2.26. If it's 2.225 it will fit, if it's 2.26 - it won't. https://nordstrandaudio.com/collections/...-blade-set Dimarzio Split P is the best fit. (This post was last modified: 13 May 2022, 23:12 by Like Ra.) (13 May 2022, 22:43 )Like Ra Wrote: Nordstrand NPJ Blade should fit better than the GZR, however on their site two dimensions are shown: 2.225 and 2.26. If it's 2.225 it will fit, if it's 2.26 - it won't.Bad news - it will not fit. Just got a direct response from Nordstrand. 2.26" (6.71cm) is the correct measurement (2.5mm too big). Any other blade designs besides Dimarzio Split P and Aliexpress ones? EDIT: wrong! 6.71 should fit! Confused the measurements! (05 May 2022, 14:58 )Like Ra Wrote: Schaller M4 90 2L/2RArrived! Not installed yet. (02 May 2022, 01:00 )Like Ra Wrote: Lekato looper: https://s.click.aliexpress.com/e/_Af5F85Arrived! And it's excellent! Highly recommended! (24 Apr 2022, 01:55 )Like Ra Wrote: Anyway, ordered this 9v 2A PS with a 5-way splitter: https://s.click.aliexpress.com/e/_9wBFplArrived! Works perfectly and it's noiseless. |
| Possibly Related Threads… | |||||
| Thread | Author | Replies | Views | Last Post | |
| Computer related things on Ali/eBay/whatever | Like Ra | 64 | 5,400 |
29 Oct 2025, 00:05 Last Post: Like Ra |
|
| Aliexpress special discounts and promo codes | Like Ra | 24 | 6,358 |
20 Dec 2024, 22:55 Last Post: Like Ra |
|
| General Aliexpress discussions | Culmor | 62 | 1,659 |
13 Nov 2024, 13:45 Last Post: Like Ra |
|
| HiFi/Audio/Video equipment on Ali/eBay/whatever | Like Ra | 34 | 2,732 |
21 Oct 2023, 03:36 Last Post: Like Ra |
|
| Smartphone related things on Ali/eBay/whatever | Like Ra | 4 | 534 |
27 Aug 2022, 23:53 Last Post: Like Ra |
|
